您现在的位置:
首页
>
政府信息公开
>
市政府组成部门
>
市自然资源局
>
征地信息
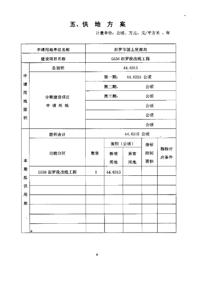
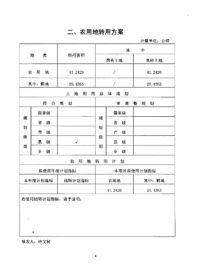
G536汨罗段改线工程建设项目一书四方案及批单
来源:汨罗市国土资源局
日期:2018-06-27 11:37
浏览量:
1
|
|
|
|