您现在的位置:
首页
>
政务公开
>
通知公告
>
政府公告
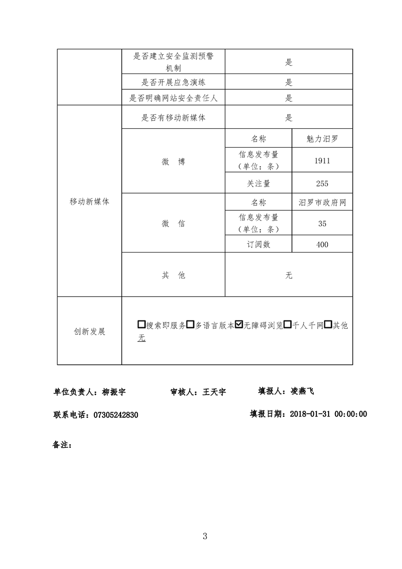
2017年汨罗市政府网站工作年度报表
来源:汨罗市政府网站
日期:2018-01-31 15:37
浏览量:
1
|
|
|
|